- Artikel-Nr.: SW19445
- Hersteller-Nr.: UNI-V1K6444207663
Beschreibung:
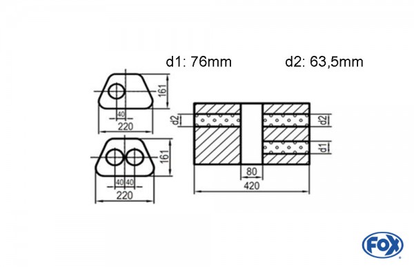
Der hochwertige FOX Uni-Schalldämpfer Trapezoid zweiflutig mit Kammer aus Edelstahl überzeugt durch exzellente Verarbeitung und hohe Effizienz im Abgasstrom. Mit den Maßen 220x161mm, einem Einlassdurchmesser (d1) von 76mm, einem Auslassdurchmesser (d2) von 63,5mm sowie einer Gesamtlänge von 420mm bietet dieser Universal-Schalldämpfer eine perfekte Grundlage für individuelle Auspuffanlagen.
Die angegebenen Längen und Aufbauarten entsprechen dem Standard – auf Wunsch kann der Schalldämpfer jedoch in Ihrer gewünschten Länge oder nach eigener Skizze gefertigt werden (technische Realisierbarkeit vorausgesetzt). Für ein persönliches Angebot senden Sie bitte eine Anfrage oder eine E-Mail an info@fox-sportauspuff.de. Der Schalldämpfer eignet sich hervorragend für individuelle Fahrzeugprojekte, Soundoptimierungen und Leistungssteigerungen.
- Aus Edelstahl gefertigt – langlebig und korrosionsbeständig
- Zweiflutig mit integrierter Kammer für sportlichen Sound
- Individuelle Maßanfertigung nach Wunsch möglich
- Ideal für universellen Einsatz bei Eigenbauten oder Umbauten
- Präzise Verarbeitung durch FOX Qualität
Lieferumfang:
- 1x FOX Uni-Schalldämpfer Trapezoid zweiflutig mit Kammer - Variante 1
| Eigenschaften | |
| Hersteller: | FOX |







































