- Artikel-Nr.: SW19299
- Hersteller-Nr.: UNI-H6504206355
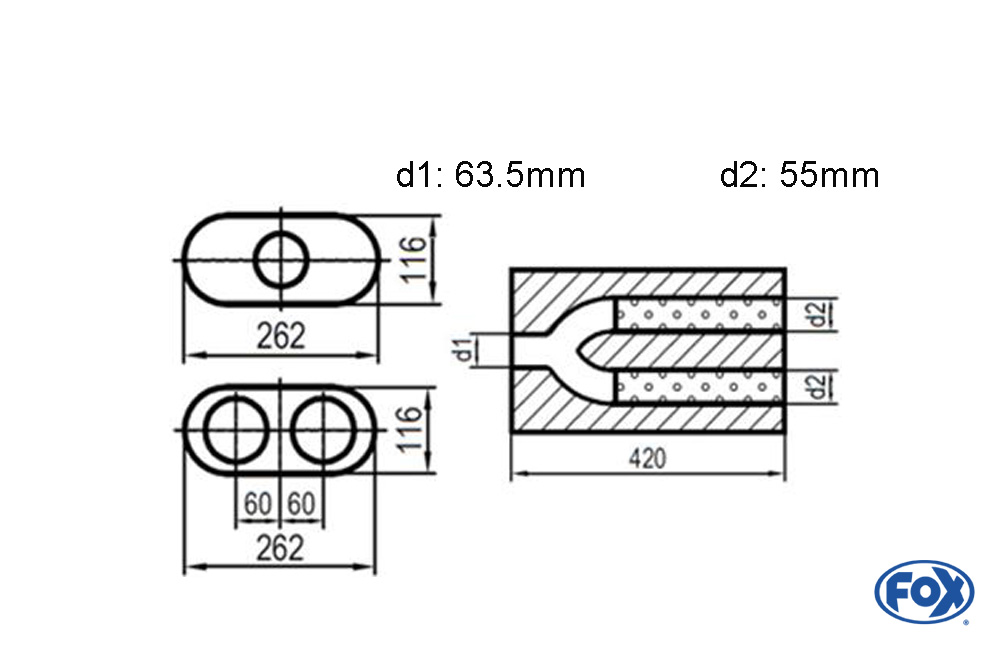
Beschreibung:
Der ovale FOX Uni-Schalldämpfer mit zweiflutigem Ausgang überzeugt durch seine hochwertige Verarbeitung aus langlebigem Edelstahl und universelle Einsetzbarkeit. Dank der präzisen Fertigung mit Abwicklung 650, einem Maß von 262x116 mm, einem Einlassdurchmesser (d1) von 63,5 mm und einem Auslassdurchmesser (d2) von 55 mm sowie einer Gesamtlänge von 420 mm ist dieser Schalldämpfer ideal für individuelle Abgasanlagen geeignet.
Die angegebenen Maße und Aufbauarten entsprechen dem Standard, können jedoch nach Wunsch individuell angepasst werden. Auf Anfrage realisiert FOX maßgeschneiderte Längen oder Sonderanfertigungen nach technischer Machbarkeit. Für ein individuelles Angebot senden Sie bitte eine Produktanfrage oder eine E-Mail an info@fox-sportauspuff.de.
- Hochwertiger FOX Edelstahldämpfer in ovaler, zweiflutiger Bauweise
- Universell einsetzbar für individuelle Auspuffanlagen
- Fertigung nach Maß oder Sonderanfertigung möglich
- Optimierte Abgasführung und sportlicher Klang
- Langlebig, korrosionsbeständig und formstabil
Lieferumfang:
- 1x FOX Uni-Schalldämpfer oval zweiflutig aus Edelstahl
| Eigenschaften | |
| Hersteller: | FOX |







































