- Artikel-Nr.: SW18134
- Hersteller-Nr.: UNI-64442070o
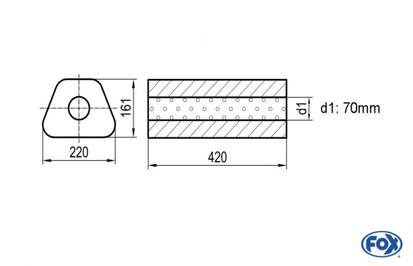
Beschreibung:
Der hochwertige FOX Uni-Schalldämpfer Trapezoid ohne Stutzen überzeugt durch seine präzise Verarbeitung aus rostfreiem Edelstahl und seine universelle Einsetzbarkeit. Mit einer Abwicklung von 644 mm, einer Breite von 220x161 mm, einem Eingangsdurchmesser von 70 mm (d1Ø) und einer Gesamtlänge von 420 mm bietet dieser Dämpfer eine ideale Basis für individuelle Auspuffsysteme. Dank des trapezförmigen Designs lässt sich der Schalldämpfer optimal in unterschiedliche Fahrzeugkonfigurationen integrieren.
FOX bietet Ihnen die Möglichkeit, den Dämpfer auch in einer maßgeschneiderten Länge oder nach einer speziellen Skizze anfertigen zu lassen, sofern dies technisch realisierbar ist. Für ein individuelles Angebot können Sie eine Produktanfrage senden oder direkt eine E-Mail an info@fox-sportauspuff.de schreiben.
- Hochwertiger Edelstahl für maximale Langlebigkeit und Korrosionsbeständigkeit
- Universeller Einsatz für vielfältige Fahrzeuganwendungen
- Trapezförmige Bauweise für flexible Montage
- Optionale Maßanfertigung nach Skizze möglich
- Präzise FOX Verarbeitung für optimale Abgasführung
Lieferumfang:
- 1x FOX Uni-Schalldämpfer Trapezoid ohne Stutzen
| Eigenschaften | |
| Hersteller: | FOX |







































