- Artikel-Nr.: SW17656
- Hersteller-Nr.: UNI-K46642080o
Beschreibung:
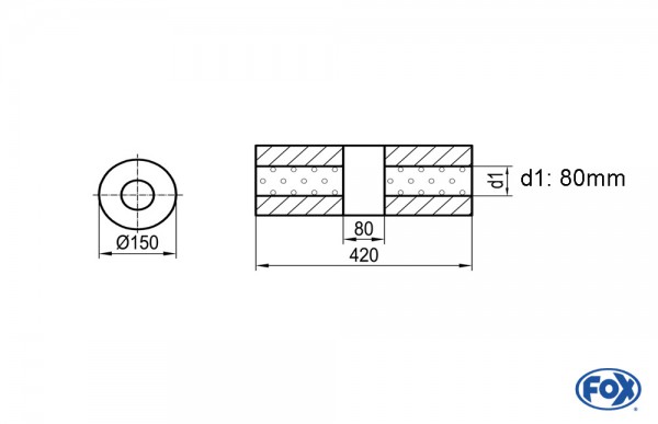
Der FOX Uni-Schalldämpfer rund ohne Stutzen überzeugt durch seine hochwertige Verarbeitung aus Edelstahl und bietet eine langlebige Lösung für eine Vielzahl von Anwendungen. Mit einem Durchmesser von Ø150mm, einer Gesamtlänge von 420mm und einem Außenrohrdurchmesser von Ø80mm eignet sich dieser Schalldämpfer ideal für individuelle Umbauten und Sonderanfertigungen. Dank der kompakten Bauform und der integrierten Kammer gewährleistet er eine effektive Schalldämpfung bei sportlich-dynamischem Klang.
Die angegebenen Maße und Konstruktionsarten entsprechen dem FOX-Standard. Optional kann der Dämpfer auch in Ihrer Wunschlänge oder nach einer eigenen technischen Skizze angefertigt werden, sofern dies technisch realisierbar ist. Für ein individuelles Angebot senden Sie bitte eine Produktanfrage oder eine E-Mail an info@fox-sportauspuff.de.
- Hochwertiger Edelstahl für maximale Haltbarkeit
- Mit integrierter Kammer für optimale Schalldämpfung
- Universell einsetzbar für verschiedene Fahrzeugumbauten
- Individuelle Maßanfertigung auf Anfrage möglich
- Sportlicher Klang mit effizienter Geräuschreduzierung
Lieferumfang:
- 1x FOX Uni-Schalldämpfer rund ohne Stutzen mit Kammer (Ø150mm, Ø80mm außen, Länge 420mm)
| Eigenschaften | |
| Hersteller: | FOX |







































